HTSPO介紹
華天智能電能質量優化裝置HTSPO是山大華天用于提升配電臺區電能質量的新型電力電子裝置。該裝置內置無功發生器(SVG),采用智能算法進行控制,可有效補償三相負荷不平衡,并具有快速連續調節無功功率、有源濾波(對特征次諧波有良好的濾除作用)等功能。在補償三相不平衡、無功功率、諧波、電壓跌落等方面表現出色。

主要功能
· 解決配網三相不平衡問題,保證流入電網的三相電流平衡,提升變壓器輸出容量。
· 補償無功功率,提高功率因數,有效提升變壓器利用率。
· 補償諧波,有效濾除負載3、5、7、11等特征次諧波,在補償三相不平衡、補償無功功率的同時對特征次諧波有良好的濾除作用。
· 穩定受電端電壓,加強系統電壓穩定性,有效解決配網末端電壓低問題。
· 抑制電壓波動和閃變,改善用電環境。
· 有效抑制裝置中有源支路及無源支路與系統的諧振,增強設備可靠性。
產品特點
· 多種運行模式,適合各種場景。華天HTSPO智能電能質量優化裝置具有無功優先、不平衡優先、諧波優先、電壓優先、只補無功、只補不平衡、只濾諧波、只補電壓8種工作模式可供選擇。在無功優先、不平衡優先、諧波優先、電壓優先四種模式下,任一種補償模式均可兼容另外三種方式。
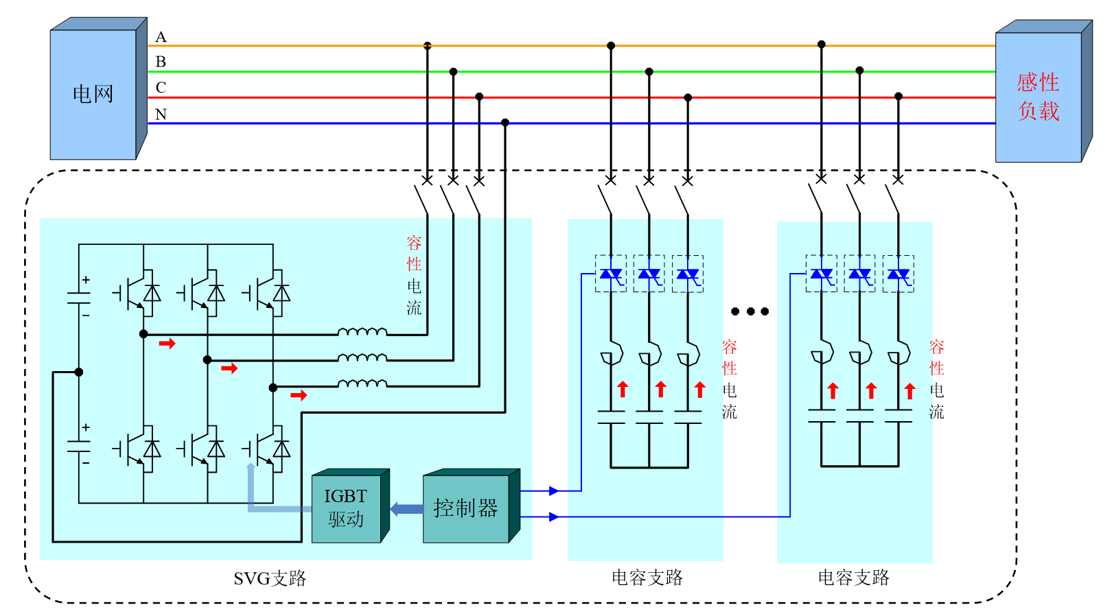
· 采用SVG的控制器統一控制電容器的投切,既能減少體積又方便協調控制。
· 采用SVG模塊的風機通過風道進行散熱,無需再額外安裝柜體散熱風機。
· 采用全數字化、智能化控制,中英雙語液晶顯示。
· 具有過壓、欠壓、過流、過熱、過補償等保護功能。
· 具有故障自診斷功能、歷史事件記錄功能。
· 具有無線通信功能,方便查看設備運行狀況。遠距離通信時可配置GPRS模塊連接網絡,可在客戶端查看數據;近距離通訊時可配置WIFI無線通信,可在具有WIFI功能的終端設備(如手機)查看數據。

遠距離無線通信采用GPRS方式

近距離≤10m 無線通信采用WIFI方式
工作原理
三相不平衡補償原理
控制器通過電流傳感器實時檢測系統電流,并分析判斷系統是否處于不平衡狀態,同時計算達到平衡狀態時所需要的補償電流,并控制逆變器產生電流,使電流從大的相轉移到小的相,最終使三相電流達到平衡狀態。

配電網中一方面存在著三相不平衡負載,典型的如電力機車牽引負荷和交流電弧爐等;另一方面由于用戶負載的三相用電不均衡造成的。不平衡電流會造成個別相電流過載而導致變壓器損壞或利用率低、中線電流大的風險。華天HTSPO能夠快速地補償由于負載不平衡所產生的負序電流,始終保證流入電網的三相電流平衡,提高供電電能質量。

補償前源測電流 補償后源測電流
(補償前三相電流不平衡,補償后三相電流趨于平衡)

補償前不平衡度 補償后不平衡度
(電流不平衡度由13%補償到0.7%)
電壓支撐原理
當負荷側電壓某相正常另兩相偏高或偏低時,對偏低的相采用補償容性電流的方法來降低線路阻抗引起的壓降,達到提升負荷側電壓的目的;對偏高的相采用補償感性電流的方法來增大線路阻抗引起的壓降,達到降低負荷側電壓的目的。

HTSPO智能電能質量優化裝置電壓支撐原理1
當負荷側電壓三相普遍偏低時,采用電容補償加SVG補償的方法來降低線路阻抗帶來的壓降,達到提升負荷側電壓的目的。

無功補償原理
控制器通過控制電容器的投切及SVG的容性電流的輸出來實現對感性負載的補償,在SVG支路容量范圍內可以實現快速無功補償。

HTSPO智能電能質量優化裝置無功補償原理1:對感性負載補償
控制器通過控制SVG的感性電流的輸出來實現對容性負載的補償。

HTSPO智能電能質量優化裝置無功補償原理2:對容性負載補償
對快速變化的無功負荷進行補償:
控制器一方面控制晶閘管快速投切電容器組實現大容量的無功補償,另一方面控制SVG產生精細的無功功率,實現無功功率的快速連續調節。晶閘管投切電容器可以實現無涌流、快速投切,和SVG配合后整機的響應時間可以達到20ms,在整機容量內可對快速變化的無功負荷進行有效補償。

HTSPO智能電能質量優化裝置對快速變化的無功負荷進行補償的原理
HTSPO智能電能質量優化裝置無功功率連續補償原理:
普通電容補償由于最小支路容量的限制只能進行階梯補償,存在補償誤差,會產生無功累積,在負荷小時也會造成功率因數過低的問題。華天HTSPO智能電能質量優化裝置控制器一方面控制接觸器(晶閘管)對電容器組進行投切實現大容量的無功補償,另一方面控制SVG產生精細的無功功率,在SVG容量為最小電容支路容量一半的情況下可實現整機有效容量內無功功率的連續調節,達到功率因數為1的補償效果。
比如補償裝置有兩組電容,補償容量分別為20kvar、40 kvar,若系統需要補償容量為36kvar,則普通補償裝置只能輸出20kvar還剩余16kvar,而HTSPO智能電能質量優化裝置則會控制一組電容40kvar投入,同時會控制SVG產生4kvar感性(按最小損耗自動控制輸出),這樣補償后系統就沒有剩余無功功率了,達到了完全補償的效果。

HTSPO智能電能質量優化裝置與普通電容投切補償效果對比圖
有源濾波原理
華天HTSPO裝置內置的SVG可以開啟30%濾波容量,實現有源濾波功能。SVG由控制器和補償電流發生電路組成。控制器實時監視負載電流,并將模擬電流信號轉換為數字信號,送入內部的高速數字信號處理器(DSP)對信號進行處理將基波無功電流和諧波電流提取,得到指令電流,并通過電流跟蹤控制電路和驅動電路,以脈寬調制(PWM)信號形式向補償電流發生電路送出驅動脈沖,驅動IGBT功率模塊,生成反向等值補償電流注入電網,從而實現對負載無功電流和諧波電流的動態、快速徹底治理。
HTSPO諧波補償能有效濾除負載5、7、11等特征次諧波,在補償功率因數、三相不平衡的同時對特征次諧波有良好的濾除作用,補償前后濾波效果對比見下圖:

(補償前5次諧波電流15.8A畸變率14.8% ,補償后5次諧波電流3A畸變率2.9%)
抑制電壓波動和閃變原理
電壓波動和閃變主要是負荷的急劇變化引起的。負荷的急劇變化會導致電流的劇烈波動,從而引起受電端電網電壓閃變。引起電壓閃變的典型負荷有電弧爐、軋鋼機、電力機車等。HTSPO裝置中內置的SVG能夠快速地提供變化的無功電流,以補償負荷變化引起的電壓波動和閃變現象。目前,抑制電壓波動和閃變的最佳設備是SVG。
諧振抑制原理
普通的有源濾波器易與系統中的純電容器諧振且電容器補償也存在諧振風險,這就需要裝置具有諧振抑制功能,華天HTSPO智能電能質量優化裝置采用特有的諧振抑制發明專利,能有效抑制電容支路的諧波放大,提高供配電系統的穩定性。
手機監控界面


后臺監控界面

技術參數

